DCY型轴向柱塞泵
质量保障:全过程质量检测,完善每一道工序,保障品质!
设计出色:每一宽设计都经过充分的考量与评测,确保效果!
服务周到:客服人员、现场人员时刻为客户准备着!
介绍
概论
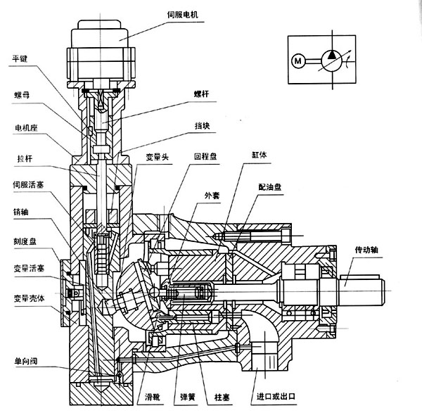
本系列轴向柱塞泵将具有31.5Mpa压力的纯净的液压油输入到各种油压机、液动机等到液压系统中,以产生巨大的工作动力。
同时该油泵可以作为液压马达使用。根据需要,本油泵有多种变量形式。本油泵,油马达广泛用于船舶航空、矿山、冶金、压铸、锻造、机床的名类机械中,其特点是体积小、效率高、寿命长、设计先进、结构紧凑、维护方便。
结构图:


